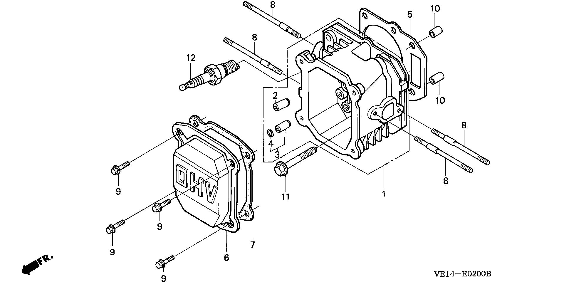
Lawn Mowers HRM HRM215 HRM215K3 SXA/A MZBB-6450805-6500000 CYLINDER HEAD - Ron Ayers Motorsports

Ref No
Part Number
Description
Serial Range
Qty
Price

Ref No
1
Part Number
12200-ZG9-P41
Description
CYLINDER HEAD (USA)
Serial Range
6324986 - 9999999
Qty
Price
$102.98

Ref No
2
Part Number
12204-ZE1-306
Description
GUIDE, VALVE (OVER SIZE) (NOT AVAILABLE)
Serial Range
1000001 - 9999999

Ref No
4
Part Number
12216-ZE5-300
Description
CLIP, VALVE GUIDE
Serial Range
1000001 - 9999999
Qty
Price
$1.85

Ref No
5
Part Number
12251-ZG9-000
Description
GASKET, CYLINDER HEAD
Serial Range
1000001 - 9999999
Qty
Price
$25.26

Ref No
6
Part Number
12311-ZG9-800
Description
COVER, HEAD
Serial Range
1000001 - 9999999
Qty
Price
$10.80

Ref No
7
Part Number
12391-ZG9-800
Description
GASKET, HEAD COVER
Serial Range
1000001 - 9999999
Qty
Price
$6.38

Ref No
8
Part Number
90013-ZG9-T00
Description
BOLT, STUD (6X83)
Serial Range
1000001 - 9999999
Qty
Price
$6.51

Ref No
9
Part Number
95701-06014-00
Description
BOLT, FLANGE (6X14)
Serial Range
1000001 - 9999999
Qty
Price
$1.34

Ref No
10
Part Number
94301-10160
Description
PIN, DOWEL (10X16)
Serial Range
1000001 - 9999999
Qty
Price
$3.30

Ref No
11
Part Number
95701-08050-00
Description
BOLT, FLANGE (8X50)
Serial Range
1000001 - 9999999
Qty
Price
$3.30

Ref No
12
Part Number
98079-54846
Description
SPARK PLUG (BPR4ES) (NGK)
Serial Range
1000001 - 9999999
Qty
Price
$3.28

Ref No
12
Part Number
98079-55846
Description
SPARK PLUG (BPR5ES) (NGK)
Serial Range
1000001 - 9999999
Qty
Price
$3.28

Ref No
12
Part Number
98079-56846
Description
SPARK PLUG (BPR6ES) (NGK)
Serial Range
1000001 - 9999999
Qty
Price
$3.28