Description FUSE ASSY., SPARE (NA USE ALT:32342-836-505)
Serial Range 1000001 - 9999999
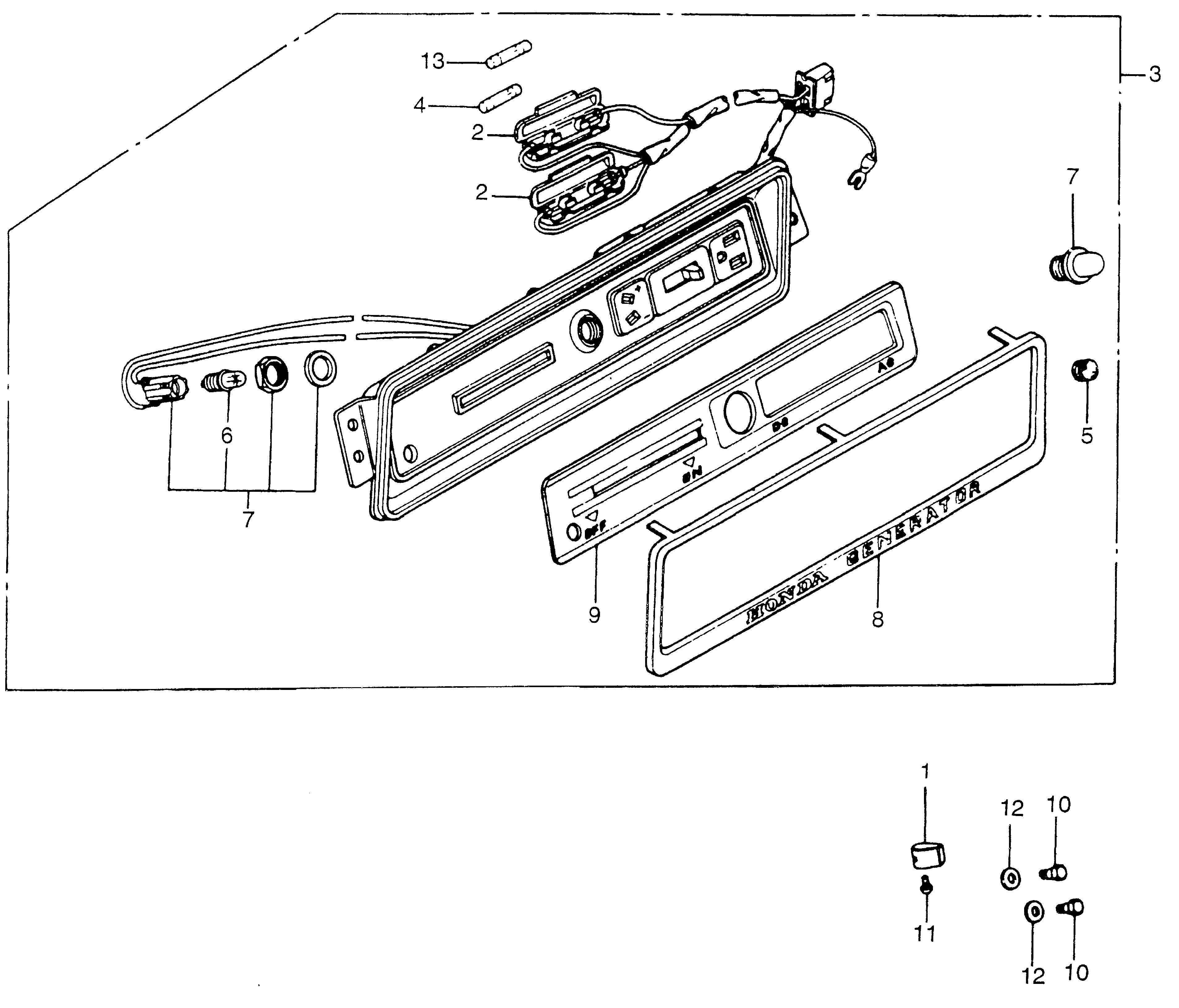
Ref No 5
Part Number 32652-836-700
Description GROMMET, CONTROL
Serial Range 1000001 - 9999999
Ref No 6
Part Number 34909-880-000
Description BULB, DASH (24V-2W)
Serial Range 1000001 - 9999999
Ref No 7
Part Number 37561-815-158
Description SOCKET ASSY., PILOT LAMP
Serial Range 1000001 - 9999999
Ref No 8
Part Number 87524-836-700
Description MOLDING, FR. PANEL
Serial Range 1000001 - 9999999
Ref No 9
Part Number 87540-836-730
Description PLATE, FR. PANEL (NOT AVAILABLE)
Serial Range 1000001 - 9999999
Ref No 10
Part Number 90004-836-000
Description BOLT, FAN COVER (NOT AVAILABLE)
Serial Range 1000001 - 9999999
Ref No 11
Part Number 93500-03006-0A
Description SCREW, PAN (3X6)
Serial Range 1000001 - 9999999
Qty
Price $1.21
Ref No 12
Part Number 94101-05000
Description WASHER, PLAIN (5MM)
Serial Range 1000001 - 9999999
Qty
Price $1.32
Ref No 13
Part Number 98200-11000
Description FUSE A (10A)
Serial Range 1000001 - 9999999
Qty
Price $2.42
Item added to your cart
California Prop 65 Information
Internal Combustion Engine Products:
WARNING:
This product can expose you to chemicals including soots, tars, and mineral oils, which are known to the State of California to cause cancer,
and carbon monoxide, which is known to the State of California to cause birth defects or other reproductive harm. For more information go to
www.P65Warnings.ca.gov.
Miimo Robotic Mower
WARNING:
This product can expose you to chemicals including lead and lead compounds, which are known to the State of California to cause cancer and birth defects or other reproductive harm.
For more information go to
www.P65Warnings.ca.gov.